Больше информации по резюме будет доступно после регистрации
ЗарегистрироватьсяКандидат
Мужчина, 40 лет, родился 21 ноября 1985
Санкт-Петербург, готов к переезду, не готов к командировкам
Где ищет работу
Санкт-Петербург
Все районыИнженер-конструктор
55 000 ₽ на руки
Специализации:
- Инженер-конструктор, инженер-проектировщик
Занятость: полная занятость
График работы: полный день
Опыт работы 16 лет 2 месяца
Июль 2012 — по настоящее время
13 лет 6 месяцев
ЗАО "Интегратор энергетического комплекса"
Санкт-Петербург
Инженер-конструктор 1 категории
Отдел, должность:
2012г.- котельных и БИТП проектного института, инженер-конструктор 2 категории
2013г. - котельных и БИТП проектного института, инженер-конструктор 1 категории
2014г. - разработка конструкторской документации котельных и БИТП, инженер конструктор 1 категории
Обязанности:
-Разработка УУХВС (узлов учета холодного водоснабжения) из полипропилена
Выпуск КД на УУХВС, согласование закупочных материалов, решение вопросов с производством
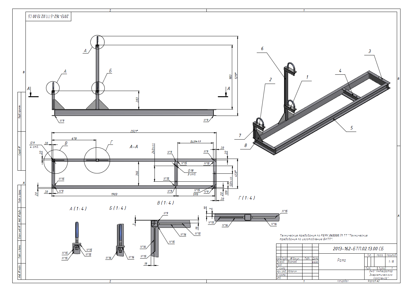
-Разработка типового альбома БИТП (блочные индивидуальны тепловые пункты)
Выпуск КД на типовые БИТП (Примеры БИТП в портфолио)
-Разработка Шкафного БИТП (примеры в портфолио)
Шкафное БИТП применяется в
малоэтажных зданиях, Выпуск КД
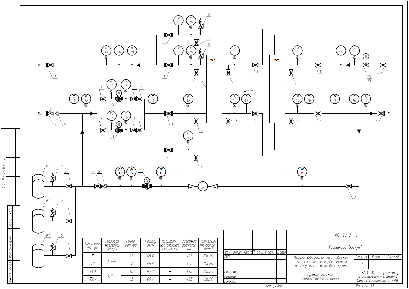
-Работа с принципиальными тепломеханическими схемами (примеры в портфолио)
-Авторский надзор готовой продукции
После изготовления продукции, выезжал на производство для решения вопросов по уже готовой продукции, (покраска, проверка сварных швов, ультразвуковые испытания)
Октябрь 2010 — Июль 2012
1 год 10 месяцев
ЗАО НПФ "Теплоком"
Санкт-Петербург
Инженер-конструктор 3 категории
Отдел, должность:
2010г. - развития БИТП (блочные индивидуальные тепловые пункты), инженер-конструктор 3 категории
2012г.- котельных и БИТП, инженер-конструктор 2 категории
Обязанности:
-Разработка новой продукции
Участвовал в разработке новой модели грязевика, был ответственным в этом проекте за выпуск КД, подбор и согласование материалов для производства, решение вопросов с производством
-Выпуск КД на БИТП
(Примеры БИТП в портфолио) по принципиальным тепломеханическим схемам (примеры схем в портфолио)
-Работа со смежными отделами
(логистика, технологи, производство и т.д.)
Ноябрь 2009 — Октябрь 2010
1 год
ОАО Машиностроительный Завод "Арсенал"
Санкт-Петербург
Инженер-конструктор
Инженер-конструктор
-Знание ЕСКД.
-Проектирование, модернизация и выпуск чертежей узлов изделий выпускаемых предприятием.
-Сопровождение производства.
Принимал участие в:
-Адаптация КД под современное производство.
-Модернизация головки блоков цилиндра для двигателя Стирлинга.
-Выпуск КД для планетарного редуктора.
Навыки
Уровни владения навыками
Опыт вождения
Имеется собственный автомобиль
Права категории BОбо мне
Личностные характеристики:
Целеустремленность,пунктуальность,ответственность,трудолюбие, аккуратность
Так же обладаю качеством, скрупулезность, очень люблю когда все разложено по полочкам, когда все нюансы решены
Люблю интересные задачи и участвовать в работе над новыми продуктами, считаю себе коммуникабельным человеком, за что так же был награжден почетной грамотой (Почетная грамота 2012 год)
Так же обладаю быстротой выполнения поставленных задач, в связи с чем был награжден почетной грамотой (Почетная грамота 2013 год)
Всегда стараюсь профессионально развиваться, и расти, не могу работать, когда чувствую, что тут я дошел до своего "потолка" по карьерной лестнице
Так скажем всегда нужна цель, к которой нужно двигаться или просто следующая карьерная ступенька, на которую я несомненно "шагну"
Участие в проектах:
-Разработка УУХВС (узлов учета холодного водоснабжения) из полипропилена
-Разработка Шкафного БИТП
-Разработка новой модели грязевика
Профессиональные навыки, умения, компетенции:
Autodesk Inventor
Solid Works
Compass 3D
Search
AutoCAD
MS Office
ЕСКД
Хобби, спорт:
Занимаю активную жизненную позицию, играю на гитаре, пишу песни, езжу с друзьями и семьей за город, люблю вечером посидеть около костра, особенно летом, под звездным небом, поесть шашлыков, выпить хорошего вина, и по петь хорошие песни под гитару
Увлекаюсь игрой в настольный теннис
Высшее образование
2008
Санкт-Петербургский государственный университет аэрокосмического приборостроения, Санкт-Петербург
Инженер
Знание языков
Повышение квалификации, курсы
2013
Autodesk Inventor - специальный
не указана
2012
Проектирование систем водоснабжения и канализации в современных условиях
не указана
2011
Business English
не указана
2010
General English
не указана
2010
Проектирование тепловых энергоустановок
не указана
Гражданство, время в пути до работы
Гражданство: Россия
Разрешение на работу: Россия
Желательное время в пути до работы: Не имеет значения











